• Zaloguj się
    Zaloguj się
0
Koszyk:
Koszyk
info: Twój koszyk jest pusty!

Frez tarczowy HM / HW półwałek wypukły do drewna

Index: 3030

Profesjonalny frez tarczowy półwałek wypukły HM / HW do elementów wklęsłych – 140 mm

Prezentujemy wysokiej klasy frez tarczowy HM / HW półwałek wypukły – narzędzie przeznaczone do profesjonalnej obróbki drewna i materiałów drewnopochodnych. Frez ten idealnie nadaje się do wykonywania elementów wklęsłych, profilowania półokrągłych kształtów, zaokrąglania krawędzi oraz tworzenia dekoracyjnych i funkcjonalnych detali w projektach stolarskich, meblarskich i artystycznych.

Wykonany z wysokogatunkowego węglika spiekanego (HM / HW), co gwarantuje wysoką trwałość, odporność na ścieranie i długą żywotność narzędzia nawet podczas intensywnej obróbki.

Darmowa dostawa od 1000 PLN
Dostępność Dostępny w 14 dni
B
R
Cena/szt.
Ilość
Wartość
Koszyk
20
R10
713,40 
+ -
40
R20
1 340,70 
+ -
30
R15
937,26 
+ -
od 713,40 
od 580,00 

Opis produktu

Zastosowanie

  • Frezowanie profilu wklęsłego w litym drewnie i materiałach drewnopochodnych (MDF, płyty wiórowe, HDF)

  • Obróbka elementów dekoracyjnych, listew, paneli i elementów meblowych

  • Prace stolarskie – półwałki, zaokrąglenia, łuki i profile

  • Wykonywanie półokrągłych wycięć i detali w obróbce na frezarkach dolnowrzecionowych, CNC oraz na frezarkach ręcznych.


Dostępne warianty i rozmiary

Nasze frezy tarczowe półwałek wypukły są dostępne w trzech optymalnych wariantach radiusa (R), aby idealnie dopasować narzędzie do projektu:

Parametry

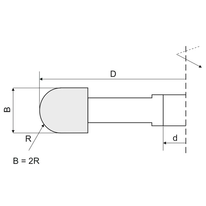
Średnica D

Wysokość zęba B

Promień R

Ilość zębów

140×20×30 z4 R10

140 mm

20 mm

R10

4

140×30×30 z4 R15

140 mm

30 mm

R15

4

140×40×30 z4 R20

140 mm

40 mm

R20

4

Dzięki temu możesz wybrać odpowiedni promień profilowania – od delikatnych zaokrągleń (R10), przez średnie półwałki (R15), aż po głębsze wklęsłe elementy (R20).


Funkcje i korzyści

✔ Najwyższa jakość materiałów – ostrza z węglika spiekanego zapewniają długą żywotność i odporność na obciążenia.
✔ Idealne do drewna i płyt drewnopochodnych – uniwersalne narzędzie dla stolarzy i profesjonalistów.
✔ Prosta i precyzyjna obróbka – czyste wykończenie, minimalne ryzyko rozszczepienia materiału.

✔ Pasuje do CNC i frezarek ręcznych – doskonałe do pracy w warsztacie, zakładzie stolarskim czy produkcji seryjnej.
✔ Wszechstronne zastosowanie – od detali meblowych po skomplikowane elementy architektoniczne.